2019-2020-2《模拟电子技术》考试试卷 1、正确输入自己的班级、学号(学号后二位)和姓名,否则不能提交。 2、考试时间为120分钟。 3、考试时系统自动抽题,每个同学的题目和次序不会相同。 4、考试时填空、判断和选择题每题必须作答,否则不能提交。 5、同一台设备只能做一次。 6、π=3.14 1. 班级19电信312. 学号(填入学号后二位)3. 姓名4. 班级19电信315. 学号(填入学号后二位)6. 姓名7. 金属导电的载流子是( )8. 二极管整流电路是利用二极管的( )特性9. 若要稳定放大倍数、改善非线性失真等性能,应引入( )负反馈。10. 为了稳定静态工作点,在放大电路中应引入( )负反馈11. 三极管是一种( )控制电流的器件12. 差动放大电路是为了( )而设置的13. 场效应管是一种( )控制电流的器件。14. 对理想运算放大器组成的基本运算电路,它的反相输入端和同相输人端之间的电压为相等,这称为“( )”。15. 正弦波振荡器电路的选频网络一般由RC、石英晶体或 组成。16. 稳压管稳压电路又称为 稳压电路。17. 在纯净的半导体中,自由电子和空穴成对出现对错18. 通常小功率硅二极管的正向压降是0.5V对错19. PN 结处于正向偏置,外接电压的极性为P正N负对错20. 在桥式整流电容滤波电路中,U2 电压经测量其有效值为20V,电压表测量输出电压为U0=20V,是滤波电容开路时电压。对错21. 三极管工作于饱和状态,仍满足IC=ßIB对错22. 多级放大电路的电压放大倍数等于各级电压放大倍数的乘积。对错23. 测得三极管各极电流如题图所示,则三极管为NPN管对错24. 分压式偏置电路的作用是提高放大倍数。对错25. 根据反馈对净输入信号的效果的不同,反馈可分为正反馈和负反馈对错26. 多级放大电路的耦合方式中阻容耦合可以放大直流信号对错27. 当温度升高时,三极管的β值也将增加对错28. 交流电压负反馈能稳定输出电压对错29. 负反馈能消除失真对错30. 差分放大电路单端输入、双端输出,可把单端输入的信号转换成双端输出.对错31. 当温度变化时,在晶体两端会产生数量相等而符号相反的电荷,这种现象称为热释电效应。对错32. 滞回比较器又称施密特触发器,迟滞比较器。对错33. 扩音机音调控制级起到控制输出功率的作用。对错34. 楼道感应灯用热释电红外传感器(PIR)来判断是否有人通过对错35. 差分放大电路由于它具有优异的抑制零漂性能,因此获得广泛的应用。对错36. 差分放大电路双端输入、双端输出,可作为多数直接耦合放大电路的输入级或中间级。对错37. 滞回比较器也有一个阈值,其传输特性具有“滞回”曲线的形状。对错38. 差分放大电路双端输入、单端输出,不可作为多数直接耦合放大电路的输入级。对错39. 运算放大器工作于放大状态有二个重要的特性是虚短、虚断对错40. 正弦波振荡电路中一般看不到具体电路的是稳幅环节。对错41. 几种LC 振荡电路中要使频率稳定度高应选用变压器反馈式电路。对错42. 正弦波振荡电路中,一般采用负反馈对错43. 石英晶体谐振器具有极高的频率稳定度,从而使石英晶体振荡器组成的振荡电路也具有极高的频率稳定度。对错44. 集成稳压器均为固定输出电压。对错45. 三端可调式集成稳压器的输出电压可以从0V起调。对错46. 固定式集成三端稳压器较常用的有CW7800(LM7800)系列和CW7900(LM7900)系列,分别输出正电压和负电压。对错47. N型半导体中少子是 :自由电子空穴自由电子和空穴48. 有一电阻性负载阻值为100Ω,已知负载中平均电流为2A。采用桥式整流电路时, 二极管中的平均电流为:1A2A3A49. 半波整流使用二极管数量12450. N型半导体中多子是 :自由电子空穴自由电子和空穴51. 在二极管整流电路中,是利用二极管的:单向导电性正向特性反向特性52. 通常小功率硅二极管的正向压降是:0.3V0.5V0.7V53. 有一电阻性负载阻值为100Ω,已知负载中平均电流为2A。采用半波整流电路时, 二极管中的平均电流为:1A2A3A54. 图示给出了三极管各极对地电位,试判断各晶体管的工作状态(硅材料)。饱和状态放大状态截止状态55. 图示给出了三极管各极对地电位,试判断各晶体管的工作状态(锗材料)。饱和状态放大状态截止状态56. 图为功放管工作电流的波形,试说明功放管有工作状态。甲类工作状态乙类工作状态甲乙类工作状态57. 在放大电路中,测得三极管各极电流如图,引脚①②③对应的电极为:b、e、cb、c、ee、c、b 58. 在放大电路中,测得三极管各极电流如图,引脚①②③对应的电极为:b、e、cb、c、ee、c、b 59. 图示给出了三极管各极对地电位,试判断各晶体管的工作状态(硅材料)。饱和状态放大状态截止状态60. 共集电极放大电路的放大倍数为:远小于1约等于1远大于161. 图示给出了三极管各极对地电位,试判断各晶体管的工作状态(锗材料)。饱和状态放大状态截止状态62. 运算放大器符号中的“小三角形“表示:指向理想增益为无穷大信号从输入端流向输出端无含义63. N沟道结型场效应管中参与导电的是:自由电子空穴自由电子和空穴64. 试算出图示电路的放大倍数12365. 在场效应管中,控制电压UGS取值正、负和零值皆可的是:结型场效管增强型MOS管耗尽型MOS管66. P沟道结型场效应管中参与导电的是:自由电子空穴自由电子和空穴67. 场效应管参与导电的载流子有 ( ) 种。12368. 正弦波信号发生器一般不包括以下哪种电路。放大电路选频网络正反馈网络比较放大电路69. 石英晶体谐振器具有:逆压电效应和压电效应和弹性逆压电效应和弹性压电效应和弹性逆压电效应和压电效应70. 以下是变压器反馈式振荡电路的优点是:容易满足起振条件采用变压器,体积和质量都比较大输出电压和反馈电压靠磁路耦合,因耦合不紧密而损耗较大变压器铁心容易产生电磁干扰;振荡频率稳定性不高71. 正弦波振荡电路平衡的振幅条件: | AF| = 1|AF | > 1|AF | < 1|AF | <<172. CW78H09的最大输出电流为:5A10A15A20A73. 稳压器根据使用要求的不同,比较常用的不包括:稳压管稳压器串联型稳压器三端集成电路组成的稳压器逆变稳压器74. 同型复合管的输入电阻为rbe≈ rbe1rbe≈ rbe1+rbe2rbe≈ rbe1+(1+β1) rbe2rbe≈ rbe1- rbe275. 稳压器衡量输入电压变化时输出电压稳定程度的参数是电流调整率SI电压调整率SU纹波抑制比PSRR输出电压的温度系数ST76. CW7812最大输出电流为:0.1A0.5A1.5A3A77. 判断电阻Rf引入的反馈(包括电流还是电压反馈,串联还是并联反馈,正还是负反馈)78. 判断电阻Rf引入的反馈(包括电流还是电压反馈,串联还是并联反馈,正还是负反馈)79. 电路如图所示,已知UCC=12V,RB=480kΩ,RC=RL=2kΩ,β=120,求IBQ80. 电路如图所示,已知UCC=12V,RB=480kΩ,RC=RL=2kΩ,β=120,求ICQ81. 电路如图所示,已知UCC=12V,RB=480kΩ,RC=RL=2kΩ,β=120,求UCEQ82. 电路如图所示,已知UCC=12V,RB=480kΩ,RC=RL=2kΩ,β=120,计算电压放大倍数83. 电路如图所示,已知UCC=12V,RB=480kΩ,RC=RL=2kΩ,β=120,求输入电阻84. 电路如图所示,已知UCC=12V,RB=480kΩ,RC=RL=2kΩ,β=120,求输出电阻85. 电路如图,已知L1=0.8mH,L2=1.2mH,M=1mH,C=4.7uF,求振荡频率86. 按图所示电路已知的串联型稳压电路,R3=330欧,R4=510欧, RP=1千欧,UZ=4.3伏,UBE3=0.7伏。求输出电压的调节范围87. 金属导电的载流子是( )88. 杂质半导体的导电能力比( )半导体强的多。89. 三极管从结构上讲,发射区特点是( ).90. 对于共射、共集、共基三种基本组态放大电路,若希望从信号源索取的电流小,应选用( )组态。91. 瞬时极性法对净输入信号的效果的判断方法如果输入端与反馈信号回送端不是三极管同一端,则两者极性相同是( )反馈92. 差模输入信号电压是两个输入信号电压的( )值.93. 理想运算放大器的输出阻抗( )94. 对理想运算放大器组成的基本运算电路,运放的两个输入端电流为0,这称为“( )”。95. 电感反馈式正弦波振荡电路(哈特莱振荡器)平时又称为 振荡器96. 串联稳压电源的调整管工作在 状态。97. PN 结处于正向偏置,外接电压的极性为P正N负对错98. 在桥式整流电容滤波电路中,U2 电压经测量其有效值为20V,电压表测量输出电压为U0=18V,是滤波电容和一个二极管开路开路时电压。对错99. 在桥式整流电容滤波电路中,U2 电压经测量其有效值为20V,电压表测量输出电压为U0=9V,是滤波电容和一个二极管(或一对二极管)开路开路时电压。对错100. 二极管整流电路中,利用了二极管的单向导电性来实现将交流电压变为直流电压对错101. 分压式偏置电路的作用是提高放大倍数。对错102. 常用的稳定静态工作点的电路之一是分压式偏置电路对错103. 多级放大电路的电压放大倍数等于各级电压放大倍数的乘积。对错104. 根据反馈信号的交直流性质,反馈可分为直流反馈和交流反馈对错105. 交流电压负反馈能稳定输出电压对错106. 串联负反馈能增加输入电阻对错107. 负反馈能消除失真对错108. 负反馈使放大电路的增益下降,但是增益的稳定行大大提高;展宽通频带;减少非线性失真;可抑制放大电路内部产生的噪声和干扰对错109. 当温度升高时,三极管的β值也将增加对错110. 扩音机功率放大级要求向负载提供足够大的不失真功率.对错111. 在放大电路两输入端分别输入大小不等、极性相同的信号,这种信号称为差模信号对错112. 差分放大电路双端输入、双端输出,可作为多数直接耦合放大电路的输入级或中间级。对错113. 差分放大电路双端输入、单端输出,不可作为多数直接耦合放大电路的输入级。对错114. 差分放大电路单端输入、单端输出,与单管基本放大电路相似没有抑制零漂能力。对错115. 使用场效应管时各极必须加正确的工作电压。对错116. 电压比较器的功能是比较两个输入电压的大小,据此决定输出是高电平还是低电平的电路。对错117. 运放用作比较器时,“虚短”概念仍能随便应用对错118. 电压比较器通常工作于运放的负反馈状态对错119. 滞回比较器也有一个阈值,其传输特性具有“滞回”曲线的形状。对错120. 变压器反馈式正弦波振荡电路中,绕组中的两个黑点,表示它们是这两个绕组的同名端,即同为绕组绕制时的“头”或“尾”。对错121. LC正弦波振荡电路中,品质因数Q越大,振幅特性曲线越平坦。对错122. 负反馈放大电路一定不会产生自激振荡。对错123. 对于LC正弦波振荡电路,若已满足相位平衡条件,则反馈系数越大,越容易起振。对错124. 硅稳压管稳压电路适用于电压固定,但负载电流较大的场合。对错125. 硅稳压管稳压电路适用于电压固定,但负载电流较小的场合。对错126. 串联型稳压电源实质是利用负反馈进行稳压的。对错127. 采用桥式整流电路整流,已知U2为20V,则二极管所承受的最高反向电压为:18V20V28V128. 半波整流使用二极管数量124129. 全波整流使用二极管数量124130. P型半导体中少子是 :自由电子空穴自由电子和空穴131. N型半导体中少子是 :自由电子空穴自由电子和空穴132. 不带滤波的单相桥式全波整流电路负载上直流电压为 ;UL = 0.45U2UL = 0.9 U2UL = 1.2U2133. 单相桥式全流整流电路中,如果有一个二极管开路则输出电压:不变增加一倍减小一半134. 图示给出了三极管各极对地电位,试判断各晶体管的工作状态(锗材料)。饱和状态放大状态截止状态135. 图为功放管工作电流的波形,试说明功放管有工作状态。甲类工作状态乙类工作状态甲乙类工作状态136. 图为功放管工作电流的波形,试说明功放管有工作状态。甲类工作状态乙类工作状态甲乙类工作状态137. 利用NPN型三极管组成的放大电路中,三个电极间的电位关系为:UC >UB>UE UE >UB>UCUC =UB=UE138. 下列功放电路中会出现交越失真的是:甲类乙类甲乙类139. 在多级放大电路中,可以起到阻抗变换的耦合方式是 阻容耦合直接耦合变压器耦合140. 在负反馈电路中为稳定静态工作点应采用的是:直流负反馈交流负反馈电压负反馈141. 共集电极放大电路的放大倍数为:远小于1约等于1远大于1142. 试算出图示电路的放大倍数123143. 试算出图示电路的放大倍数-1-2-3144. 运算放大器符号中的“+“表示:同相输入端反相输入端差分输入端145. 场效应管使用的注意事项中,不是电烙铁的外壳应良好地接地的原因为:MOS管栅源极之间的电阻很高,使得栅极的感应电荷不易泄放极间电容很小,故会造成电压过高使绝缘层击穿MOS管不能久烫146. 用NE555可以组成多种应用电路,下列电路中哪种电路是NE555不能组成的。单稳态应用电路双稳态应用电路放大应用电路147. P沟道结型场效应管中参与导电的是:自由电子空穴自由电子和空穴148. 对一个具体的振荡电路判断,可以不包含以下哪方面内容:电路是否包含放大电路、反馈、选频网络和稳幅环节。放大电路的静态工作点设置,判断其能否正常工作。是否具有功率放大电路判断是否满足AF>1的起振条件,估算振荡频率。149. 以下是变压器反馈式振荡电路的优点是:容易满足起振条件采用变压器,体积和质量都比较大输出电压和反馈电压靠磁路耦合,因耦合不紧密而损耗较大变压器铁心容易产生电磁干扰;振荡频率稳定性不高150. 以下为电感反馈式电路的缺点是L1和L2之间的耦合紧密,输出信号振幅大输出电压中含有高次谐波当C采用可变电容时,输出信号频率从可调,且调节范围较大最高频率可以达到几十兆赫151. 石英晶体谐振器通常简成为“ ”石振英振晶振体振152. 稳压器根据使用要求的不同,比较常用的不包括:稳压管稳压器串联型稳压器三端集成电路组成的稳压器逆变稳压器153. 稳压器衡量输入电压变化时输出电压稳定程度的参数是电流调整率SI电压调整率SU纹波抑制比PSRR输出电压的温度系数ST154. 典型的串联型稳压电路结构由调整管、比较放大环节、基准电压源、( ) 四个部分组成。整流电路滤波电路取样电路选频电路155. CW78H09的最大输出电流为:5A10A15A20A156. 可调式三端集成稳压器,输出端与调节端之间的电压恒等于1.2V;另外为了使电路空载时也能正常工作,即输出电流不小于 ( )mA.151020157. 判断450K电阻引入的反馈(包括电流还是电压反馈,串联还是并联反馈,正还是负反馈)158. 判断6.8K电阻与1000u串联电路引入的反馈(包括电流还是电压反馈,串联还是并联反馈,正还是负反馈)159. 电路如图所示,已知UCC=12V,RB=480kΩ,RC=RL=2kΩ,β=120,求IBQ160. 电路如图所示,已知UCC=12V,RB=480kΩ,RC=RL=2kΩ,β=120,求ICQ161. 电路如图所示,已知UCC=12V,RB=480kΩ,RC=RL=2kΩ,β=120,求UCEQ162. 电路如图所示,已知UCC=12V,RB=480kΩ,RC=RL=2kΩ,β=120,计算电压放大倍数163. 电路如图所示,已知UCC=12V,RB=480kΩ,RC=RL=2kΩ,β=120,求输入电阻164. 电路如图所示,已知UCC=12V,RB=480kΩ,RC=RL=2kΩ,β=120,求输出电阻165. 电路如图,已知L1=0.8mH,L2=1.2mH,M=1mH,C=4.7uF,求振荡频率166. 按图所示电路已知的串联型稳压电路,R3=390欧,R4=510欧, RP=2千欧,UZ=4.3伏,UBE3=0.7伏。求输出电压的调节范围 您已结束本次考试! 祝您取得好成绩,再见!
2019-2020-2《模拟电子技术》考试试卷 1、正确输入自己的班级、学号(学号后二位)和姓名,否则不能提交。 2、考试时间为120分钟。 3、考试时系统自动抽题,每个同学的题目和次序不会相同。 4、考试时填空、判断和选择题每题必须作答,否则不能提交。 5、同一台设备只能做一次。 6、π=3.14 1. 班级19电信312. 学号(填入学号后二位)3. 姓名4. 班级19电信315. 学号(填入学号后二位)6. 姓名7. 金属导电的载流子是( )8. 二极管整流电路是利用二极管的( )特性9. 若要稳定放大倍数、改善非线性失真等性能,应引入( )负反馈。10. 为了稳定静态工作点,在放大电路中应引入( )负反馈11. 三极管是一种( )控制电流的器件12. 差动放大电路是为了( )而设置的13. 场效应管是一种( )控制电流的器件。14. 对理想运算放大器组成的基本运算电路,它的反相输入端和同相输人端之间的电压为相等,这称为“( )”。15. 正弦波振荡器电路的选频网络一般由RC、石英晶体或 组成。16. 稳压管稳压电路又称为 稳压电路。17. 在纯净的半导体中,自由电子和空穴成对出现对错18. 通常小功率硅二极管的正向压降是0.5V对错19. PN 结处于正向偏置,外接电压的极性为P正N负对错20. 在桥式整流电容滤波电路中,U2 电压经测量其有效值为20V,电压表测量输出电压为U0=20V,是滤波电容开路时电压。对错21. 三极管工作于饱和状态,仍满足IC=ßIB对错22. 多级放大电路的电压放大倍数等于各级电压放大倍数的乘积。对错23. 测得三极管各极电流如题图所示,则三极管为NPN管对错24. 分压式偏置电路的作用是提高放大倍数。对错25. 根据反馈对净输入信号的效果的不同,反馈可分为正反馈和负反馈对错26. 多级放大电路的耦合方式中阻容耦合可以放大直流信号对错27. 当温度升高时,三极管的β值也将增加对错28. 交流电压负反馈能稳定输出电压对错29. 负反馈能消除失真对错30. 差分放大电路单端输入、双端输出,可把单端输入的信号转换成双端输出.对错31. 当温度变化时,在晶体两端会产生数量相等而符号相反的电荷,这种现象称为热释电效应。对错32. 滞回比较器又称施密特触发器,迟滞比较器。对错33. 扩音机音调控制级起到控制输出功率的作用。对错34. 楼道感应灯用热释电红外传感器(PIR)来判断是否有人通过对错35. 差分放大电路由于它具有优异的抑制零漂性能,因此获得广泛的应用。对错36. 差分放大电路双端输入、双端输出,可作为多数直接耦合放大电路的输入级或中间级。对错37. 滞回比较器也有一个阈值,其传输特性具有“滞回”曲线的形状。对错38. 差分放大电路双端输入、单端输出,不可作为多数直接耦合放大电路的输入级。对错39. 运算放大器工作于放大状态有二个重要的特性是虚短、虚断对错40. 正弦波振荡电路中一般看不到具体电路的是稳幅环节。对错41. 几种LC 振荡电路中要使频率稳定度高应选用变压器反馈式电路。对错42. 正弦波振荡电路中,一般采用负反馈对错43. 石英晶体谐振器具有极高的频率稳定度,从而使石英晶体振荡器组成的振荡电路也具有极高的频率稳定度。对错44. 集成稳压器均为固定输出电压。对错45. 三端可调式集成稳压器的输出电压可以从0V起调。对错46. 固定式集成三端稳压器较常用的有CW7800(LM7800)系列和CW7900(LM7900)系列,分别输出正电压和负电压。对错47. N型半导体中少子是 :自由电子空穴自由电子和空穴48. 有一电阻性负载阻值为100Ω,已知负载中平均电流为2A。采用桥式整流电路时, 二极管中的平均电流为:1A2A3A49. 半波整流使用二极管数量12450. N型半导体中多子是 :自由电子空穴自由电子和空穴51. 在二极管整流电路中,是利用二极管的:单向导电性正向特性反向特性52. 通常小功率硅二极管的正向压降是:0.3V0.5V0.7V53. 有一电阻性负载阻值为100Ω,已知负载中平均电流为2A。采用半波整流电路时, 二极管中的平均电流为:1A2A3A54. 图示给出了三极管各极对地电位,试判断各晶体管的工作状态(硅材料)。饱和状态放大状态截止状态55. 图示给出了三极管各极对地电位,试判断各晶体管的工作状态(锗材料)。饱和状态放大状态截止状态56. 图为功放管工作电流的波形,试说明功放管有工作状态。甲类工作状态乙类工作状态甲乙类工作状态57. 在放大电路中,测得三极管各极电流如图,引脚①②③对应的电极为:b、e、cb、c、ee、c、b 58. 在放大电路中,测得三极管各极电流如图,引脚①②③对应的电极为:b、e、cb、c、ee、c、b 59. 图示给出了三极管各极对地电位,试判断各晶体管的工作状态(硅材料)。饱和状态放大状态截止状态60. 共集电极放大电路的放大倍数为:远小于1约等于1远大于161. 图示给出了三极管各极对地电位,试判断各晶体管的工作状态(锗材料)。饱和状态放大状态截止状态62. 运算放大器符号中的“小三角形“表示:指向理想增益为无穷大信号从输入端流向输出端无含义63. N沟道结型场效应管中参与导电的是:自由电子空穴自由电子和空穴64. 试算出图示电路的放大倍数12365. 在场效应管中,控制电压UGS取值正、负和零值皆可的是:结型场效管增强型MOS管耗尽型MOS管66. P沟道结型场效应管中参与导电的是:自由电子空穴自由电子和空穴67. 场效应管参与导电的载流子有 ( ) 种。12368. 正弦波信号发生器一般不包括以下哪种电路。放大电路选频网络正反馈网络比较放大电路69. 石英晶体谐振器具有:逆压电效应和压电效应和弹性逆压电效应和弹性压电效应和弹性逆压电效应和压电效应70. 以下是变压器反馈式振荡电路的优点是:容易满足起振条件采用变压器,体积和质量都比较大输出电压和反馈电压靠磁路耦合,因耦合不紧密而损耗较大变压器铁心容易产生电磁干扰;振荡频率稳定性不高71. 正弦波振荡电路平衡的振幅条件: | AF| = 1|AF | > 1|AF | < 1|AF | <<172. CW78H09的最大输出电流为:5A10A15A20A73. 稳压器根据使用要求的不同,比较常用的不包括:稳压管稳压器串联型稳压器三端集成电路组成的稳压器逆变稳压器74. 同型复合管的输入电阻为rbe≈ rbe1rbe≈ rbe1+rbe2rbe≈ rbe1+(1+β1) rbe2rbe≈ rbe1- rbe275. 稳压器衡量输入电压变化时输出电压稳定程度的参数是电流调整率SI电压调整率SU纹波抑制比PSRR输出电压的温度系数ST76. CW7812最大输出电流为:0.1A0.5A1.5A3A77. 判断电阻Rf引入的反馈(包括电流还是电压反馈,串联还是并联反馈,正还是负反馈)78. 判断电阻Rf引入的反馈(包括电流还是电压反馈,串联还是并联反馈,正还是负反馈)79. 电路如图所示,已知UCC=12V,RB=480kΩ,RC=RL=2kΩ,β=120,求IBQ80. 电路如图所示,已知UCC=12V,RB=480kΩ,RC=RL=2kΩ,β=120,求ICQ81. 电路如图所示,已知UCC=12V,RB=480kΩ,RC=RL=2kΩ,β=120,求UCEQ82. 电路如图所示,已知UCC=12V,RB=480kΩ,RC=RL=2kΩ,β=120,计算电压放大倍数83. 电路如图所示,已知UCC=12V,RB=480kΩ,RC=RL=2kΩ,β=120,求输入电阻84. 电路如图所示,已知UCC=12V,RB=480kΩ,RC=RL=2kΩ,β=120,求输出电阻85. 电路如图,已知L1=0.8mH,L2=1.2mH,M=1mH,C=4.7uF,求振荡频率86. 按图所示电路已知的串联型稳压电路,R3=330欧,R4=510欧, RP=1千欧,UZ=4.3伏,UBE3=0.7伏。求输出电压的调节范围87. 金属导电的载流子是( )88. 杂质半导体的导电能力比( )半导体强的多。89. 三极管从结构上讲,发射区特点是( ).90. 对于共射、共集、共基三种基本组态放大电路,若希望从信号源索取的电流小,应选用( )组态。91. 瞬时极性法对净输入信号的效果的判断方法如果输入端与反馈信号回送端不是三极管同一端,则两者极性相同是( )反馈92. 差模输入信号电压是两个输入信号电压的( )值.93. 理想运算放大器的输出阻抗( )94. 对理想运算放大器组成的基本运算电路,运放的两个输入端电流为0,这称为“( )”。95. 电感反馈式正弦波振荡电路(哈特莱振荡器)平时又称为 振荡器96. 串联稳压电源的调整管工作在 状态。97. PN 结处于正向偏置,外接电压的极性为P正N负对错98. 在桥式整流电容滤波电路中,U2 电压经测量其有效值为20V,电压表测量输出电压为U0=18V,是滤波电容和一个二极管开路开路时电压。对错99. 在桥式整流电容滤波电路中,U2 电压经测量其有效值为20V,电压表测量输出电压为U0=9V,是滤波电容和一个二极管(或一对二极管)开路开路时电压。对错100. 二极管整流电路中,利用了二极管的单向导电性来实现将交流电压变为直流电压对错101. 分压式偏置电路的作用是提高放大倍数。对错102. 常用的稳定静态工作点的电路之一是分压式偏置电路对错103. 多级放大电路的电压放大倍数等于各级电压放大倍数的乘积。对错104. 根据反馈信号的交直流性质,反馈可分为直流反馈和交流反馈对错105. 交流电压负反馈能稳定输出电压对错106. 串联负反馈能增加输入电阻对错107. 负反馈能消除失真对错108. 负反馈使放大电路的增益下降,但是增益的稳定行大大提高;展宽通频带;减少非线性失真;可抑制放大电路内部产生的噪声和干扰对错109. 当温度升高时,三极管的β值也将增加对错110. 扩音机功率放大级要求向负载提供足够大的不失真功率.对错111. 在放大电路两输入端分别输入大小不等、极性相同的信号,这种信号称为差模信号对错112. 差分放大电路双端输入、双端输出,可作为多数直接耦合放大电路的输入级或中间级。对错113. 差分放大电路双端输入、单端输出,不可作为多数直接耦合放大电路的输入级。对错114. 差分放大电路单端输入、单端输出,与单管基本放大电路相似没有抑制零漂能力。对错115. 使用场效应管时各极必须加正确的工作电压。对错116. 电压比较器的功能是比较两个输入电压的大小,据此决定输出是高电平还是低电平的电路。对错117. 运放用作比较器时,“虚短”概念仍能随便应用对错118. 电压比较器通常工作于运放的负反馈状态对错119. 滞回比较器也有一个阈值,其传输特性具有“滞回”曲线的形状。对错120. 变压器反馈式正弦波振荡电路中,绕组中的两个黑点,表示它们是这两个绕组的同名端,即同为绕组绕制时的“头”或“尾”。对错121. LC正弦波振荡电路中,品质因数Q越大,振幅特性曲线越平坦。对错122. 负反馈放大电路一定不会产生自激振荡。对错123. 对于LC正弦波振荡电路,若已满足相位平衡条件,则反馈系数越大,越容易起振。对错124. 硅稳压管稳压电路适用于电压固定,但负载电流较大的场合。对错125. 硅稳压管稳压电路适用于电压固定,但负载电流较小的场合。对错126. 串联型稳压电源实质是利用负反馈进行稳压的。对错127. 采用桥式整流电路整流,已知U2为20V,则二极管所承受的最高反向电压为:18V20V28V128. 半波整流使用二极管数量124129. 全波整流使用二极管数量124130. P型半导体中少子是 :自由电子空穴自由电子和空穴131. N型半导体中少子是 :自由电子空穴自由电子和空穴132. 不带滤波的单相桥式全波整流电路负载上直流电压为 ;UL = 0.45U2UL = 0.9 U2UL = 1.2U2133. 单相桥式全流整流电路中,如果有一个二极管开路则输出电压:不变增加一倍减小一半134. 图示给出了三极管各极对地电位,试判断各晶体管的工作状态(锗材料)。饱和状态放大状态截止状态135. 图为功放管工作电流的波形,试说明功放管有工作状态。甲类工作状态乙类工作状态甲乙类工作状态136. 图为功放管工作电流的波形,试说明功放管有工作状态。甲类工作状态乙类工作状态甲乙类工作状态137. 利用NPN型三极管组成的放大电路中,三个电极间的电位关系为:UC >UB>UE UE >UB>UCUC =UB=UE138. 下列功放电路中会出现交越失真的是:甲类乙类甲乙类139. 在多级放大电路中,可以起到阻抗变换的耦合方式是 阻容耦合直接耦合变压器耦合140. 在负反馈电路中为稳定静态工作点应采用的是:直流负反馈交流负反馈电压负反馈141. 共集电极放大电路的放大倍数为:远小于1约等于1远大于1142. 试算出图示电路的放大倍数123143. 试算出图示电路的放大倍数-1-2-3144. 运算放大器符号中的“+“表示:同相输入端反相输入端差分输入端145. 场效应管使用的注意事项中,不是电烙铁的外壳应良好地接地的原因为:MOS管栅源极之间的电阻很高,使得栅极的感应电荷不易泄放极间电容很小,故会造成电压过高使绝缘层击穿MOS管不能久烫146. 用NE555可以组成多种应用电路,下列电路中哪种电路是NE555不能组成的。单稳态应用电路双稳态应用电路放大应用电路147. P沟道结型场效应管中参与导电的是:自由电子空穴自由电子和空穴148. 对一个具体的振荡电路判断,可以不包含以下哪方面内容:电路是否包含放大电路、反馈、选频网络和稳幅环节。放大电路的静态工作点设置,判断其能否正常工作。是否具有功率放大电路判断是否满足AF>1的起振条件,估算振荡频率。149. 以下是变压器反馈式振荡电路的优点是:容易满足起振条件采用变压器,体积和质量都比较大输出电压和反馈电压靠磁路耦合,因耦合不紧密而损耗较大变压器铁心容易产生电磁干扰;振荡频率稳定性不高150. 以下为电感反馈式电路的缺点是L1和L2之间的耦合紧密,输出信号振幅大输出电压中含有高次谐波当C采用可变电容时,输出信号频率从可调,且调节范围较大最高频率可以达到几十兆赫151. 石英晶体谐振器通常简成为“ ”石振英振晶振体振152. 稳压器根据使用要求的不同,比较常用的不包括:稳压管稳压器串联型稳压器三端集成电路组成的稳压器逆变稳压器153. 稳压器衡量输入电压变化时输出电压稳定程度的参数是电流调整率SI电压调整率SU纹波抑制比PSRR输出电压的温度系数ST154. 典型的串联型稳压电路结构由调整管、比较放大环节、基准电压源、( ) 四个部分组成。整流电路滤波电路取样电路选频电路155. CW78H09的最大输出电流为:5A10A15A20A156. 可调式三端集成稳压器,输出端与调节端之间的电压恒等于1.2V;另外为了使电路空载时也能正常工作,即输出电流不小于 ( )mA.151020157. 判断450K电阻引入的反馈(包括电流还是电压反馈,串联还是并联反馈,正还是负反馈)158. 判断6.8K电阻与1000u串联电路引入的反馈(包括电流还是电压反馈,串联还是并联反馈,正还是负反馈)159. 电路如图所示,已知UCC=12V,RB=480kΩ,RC=RL=2kΩ,β=120,求IBQ160. 电路如图所示,已知UCC=12V,RB=480kΩ,RC=RL=2kΩ,β=120,求ICQ161. 电路如图所示,已知UCC=12V,RB=480kΩ,RC=RL=2kΩ,β=120,求UCEQ162. 电路如图所示,已知UCC=12V,RB=480kΩ,RC=RL=2kΩ,β=120,计算电压放大倍数163. 电路如图所示,已知UCC=12V,RB=480kΩ,RC=RL=2kΩ,β=120,求输入电阻164. 电路如图所示,已知UCC=12V,RB=480kΩ,RC=RL=2kΩ,β=120,求输出电阻165. 电路如图,已知L1=0.8mH,L2=1.2mH,M=1mH,C=4.7uF,求振荡频率166. 按图所示电路已知的串联型稳压电路,R3=390欧,R4=510欧, RP=2千欧,UZ=4.3伏,UBE3=0.7伏。求输出电压的调节范围 您已结束本次考试! 祝您取得好成绩,再见!
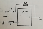
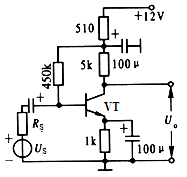
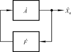
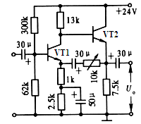
148. 对一个具体的振荡电路判断,可以不包含以下哪方面内容:电路是否包含放大电路、反馈、选频网络和稳幅环节。放大电路的静态工作点设置,判断其能否正常工作。是否具有功率放大电路判断是否满足AF>1的起振条件,估算振荡频率。